晶振中心
進口晶振
- SMI晶振
- KDS晶振
- 精工晶振
- 西鐵城晶振
- 愛普生晶振
- 村田晶振
- 日本NDK晶體
- 京瓷晶振
- 臺灣TXC晶振
- 泰藝晶振
- 亞陶晶振
- 希華晶體
- 臺灣津綻晶體
- 美國CTS石英晶振
- 加高晶體
- 大河晶振
- 鴻星晶振
- 富士石英晶體
- AKER晶振
- Lihom晶振
- NAKA晶振
- NKG晶振
- NJR晶振
- Sunny晶振
石英晶體諧振器
歐美晶振
- Abracon晶振
- ECS晶振
- Golledge晶振
- ILSI晶振
- FOX晶振
- fujicom晶振
- AEK晶振
- CRYSTEK晶振
- interquip晶振
- Geyer晶振
- quartzcom晶振
- qantek晶振
- EUROQUARTZ晶振
- quarztechnik晶振
- Cardinal晶振
- FRE-TECH晶振
- KVG晶振
- wi2wi晶振
- AEL晶振
- Transko晶振
- suntsu晶振
- mmdcomp晶振
- MERCURY晶振
- MTRONPTI晶振
- RALTRON晶振
- Microcrystal晶振
- SITIME晶振
- IDT晶振
- Pletronics晶振
- STATEK晶振
- Rakon晶振
- ConnorWinfield晶振
- JAUCH晶振
- VECTRON晶振
- Greenray晶振
- ECLIPTEK晶振
- ACT晶振
- MTI-milliren晶振
- Rubyquartz晶振
- Oscilent晶振
- SHINSUNG晶振
- ITTI晶振
- PDI晶振
- IQD晶振
- Microchip晶振
- Silicon晶振
- Fortiming晶振
- CORE晶振
- NIPPON晶振
- NICKC晶振
- QVS晶振
- Bomar晶振
- Bliley晶振
- GED晶振
- FILTRONETICS晶振
- STD晶振
- Q-Tech晶振
- Anderson晶振
- Wenzel晶振
- NEL晶振
- EM晶振
- PETERMANN晶振
- FCD-Tech晶振
- HEC晶振
- FMI晶振
- Macrobizes晶振
- AXTAL晶振
- ARGO晶振
- Skyworks晶振
- Renesas瑞薩晶振
數碼產品
智能家電
時計產品
車載產品
石英晶體振蕩器
.jpg)
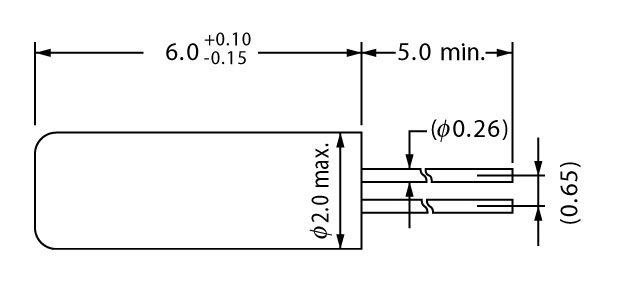
日本精工晶振,VT-200-FL插件晶體,石英晶體諧振器,厚度最大為1.4mm的薄型產品,適合用于高密度安裝的SMD型產品,與普通用的石英晶振(負載容量12.5pF)產品相比,可將待機時的消耗電力削減到原有的1/10,內置了高信賴性、經過光刻技術加工的圓柱型石英晶振,優良的驅動特性耐沖擊、耐熱性,符合RoHS指令產品.

精工晶振控股株式會社遵守法律,尊重社會倫理,以此建立健全而具有良知的企業倫理,履行作為企業的社會責任.
精工晶振控股株式會社以此思想為根本,制定如下“企業倫理的基本理念”.
1. 遵守推進業務的國家和地區的法律與規則,遵循社會倫理開展公正的活動.
2. 力爭成為具有良知的“市民企業”,實現與社會的協調發展.
3. 及時公開信息,力爭實現坦誠且具有高透明度的交流溝通.
4. 珍惜寶貴的地球資源,為環境保護作貢獻.
5. 尊重基本人權和人格,樹立能夠培育企業倫理精神和具備寬闊視野的企業風尚.






積極推進節省能源的工作,為防止全球性溫暖化做出貢獻.
推廣制造工程的節省能源化
通過實施空調設備的有效運行等手段,在擴大銷售額的同時,削減 CO2的排放量.
推廣節省能源活動
繼續貫徹以零排出為目標,推進制造工程中使用部件的3R (縮減、再利用、反復再利用).并且,在日常生產活動中實施減少 水、廢棄物品、化學藥品使用量等的節省能源活動.
推廣綠化采購活動
SII集團制定了“綠化采購的基本原則”,在廣大供應商的協助下積極推進綠化采購.
綠化生活
充分認識鄰接太平山縣立自然公園的地理條件,努力推廣工廠以及工廠周邊的河流、公園等的綠化活動.

負載容量 (CL) 是用來決定在振蕩電路中晶振頻率的參數,從加在振蕩電路中晶振兩端的電容可知負載容量(參閱圖12). 因振蕩電路的負載容量的不同,晶振的頻率會相應地產生變動.為了獲得目標的頻率精度,必須使晶振與負載容量相匹 配.在使用時,請根據相應晶振的負載容量,將振蕩電路的負載容量設定為與其相符.



SHENZHEN KONUAER ELECTRONICS CO.,LTD
電 話:0755-27838351
手 機:13823300879
Q Q:632862232
E-mail:konuaer@163.com
網 址:http://m.huaxiaqing.com
地 址:深圳市寶安區67區留仙一路甲岸科技園3棟5樓