晶振中心
進口晶振
- SMI晶振
- KDS晶振
- 精工晶振
- 西鐵城晶振
- 愛普生晶振
- 村田晶振
- 日本NDK晶體
- 京瓷晶振
- 臺灣TXC晶振
- 泰藝晶振
- 亞陶晶振
- 希華晶體
- 臺灣津綻晶體
- 美國CTS石英晶振
- 加高晶體
- 大河晶振
- 鴻星晶振
- 富士石英晶體
- AKER晶振
- Lihom晶振
- NAKA晶振
- NKG晶振
- NJR晶振
- Sunny晶振
石英晶體諧振器
歐美晶振
- Abracon晶振
- ECS晶振
- Golledge晶振
- ILSI晶振
- FOX晶振
- fujicom晶振
- AEK晶振
- CRYSTEK晶振
- interquip晶振
- Geyer晶振
- quartzcom晶振
- qantek晶振
- EUROQUARTZ晶振
- quarztechnik晶振
- Cardinal晶振
- FRE-TECH晶振
- KVG晶振
- wi2wi晶振
- AEL晶振
- Transko晶振
- suntsu晶振
- mmdcomp晶振
- MERCURY晶振
- MTRONPTI晶振
- RALTRON晶振
- Microcrystal晶振
- SITIME晶振
- IDT晶振
- Pletronics晶振
- STATEK晶振
- Rakon晶振
- ConnorWinfield晶振
- JAUCH晶振
- VECTRON晶振
- Greenray晶振
- ECLIPTEK晶振
- ACT晶振
- MTI-milliren晶振
- Rubyquartz晶振
- Oscilent晶振
- SHINSUNG晶振
- ITTI晶振
- PDI晶振
- IQD晶振
- Microchip晶振
- Silicon晶振
- Fortiming晶振
- CORE晶振
- NIPPON晶振
- NICKC晶振
- QVS晶振
- Bomar晶振
- Bliley晶振
- GED晶振
- FILTRONETICS晶振
- STD晶振
- Q-Tech晶振
- Anderson晶振
- Wenzel晶振
- NEL晶振
- EM晶振
- PETERMANN晶振
- FCD-Tech晶振
- HEC晶振
- FMI晶振
- Macrobizes晶振
- AXTAL晶振
- ARGO晶振
- Skyworks晶振
- Renesas瑞薩晶振
數碼產品
智能家電
時計產品
車載產品
石英晶體振蕩器
.jpg)
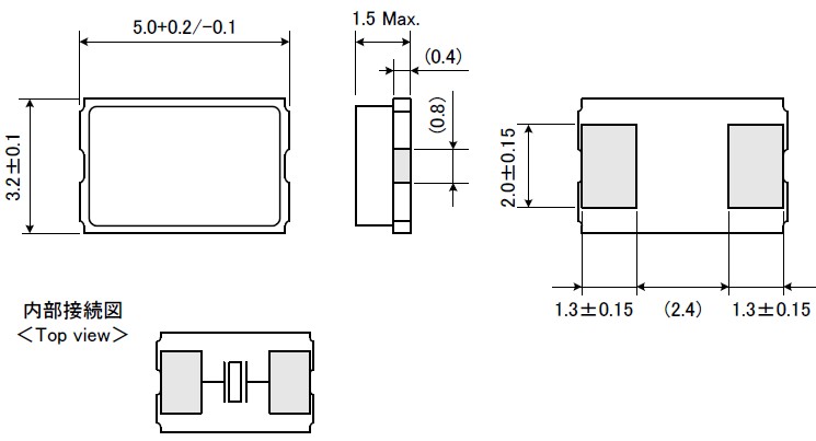
日本大河晶振,FCX-03晶體諧振器,陶瓷面二腳晶振,小型輕薄設計最大5.0mm×3.2mm×1.5mm,采用樹脂密封的陶瓷封裝,保證了極高的精度和高可靠性.無鉛焊接可用.符合RoHS.應用于調諧器、無鑰匙進入系統、各種通信、熱像儀、時鐘.
.jpg)

大河公司是一家電子設備制造商如石英晶體諧振器、石英晶體振蕩器.特別是對SMD型(表面貼裝器件型)小型晶體器件,我們一直在優先作為業內領先的公司,積累了原始的訣竅.因此,我們從許多客戶贏得信任,為“小型的河”.
自1949開始生產電阻,我們一直致力于開發有吸引力的設備,并擴大我們的業務作為我們的整個集團,旨在獲得更高的客戶滿意度.
如此高的顧客滿意會導致人們對使用電子產品,如手機和數碼相機的電子產品的滿意度.因為我們知道這個事實,我們可以繼續為我們的目標努力.由于晶體器件是信息和通信領域中的重要組成部分,在每個員工中都存在著強烈的欲望.

晶振規格 | FCX-03 | |
頻率范圍 | 8.00 MHz ~ 60.00 MHz | |
頻率公差25℃ | ±15 ppm,±20 ppm, ±30 ppm | |
頻率穩定度公差(工作溫度范圍,引用到25°C閱讀) | ±15 ppm,±20 ppm, ±30 ppm,±50 ppm | |
工作溫度范圍 | -20°C to +70°C,-30°C to +85°C ,-40°C to +85°C | |
負載電容 | 8 pF,10 pF | |
激勵功率 | 500 μW max | |
老化(﹢25℃) | ±5 ppm/yr Typical | |
直列抵抗 | 500 Ω | |
儲存溫度 | -40°C to +85°C |




利用石英制作的電子零件銷售額占據大河總銷售額的90%.在市場上的各個組成部分,都有我們提供石英晶體單元和振蕩器.特別是,我們專注于表面貼裝器件(SMD)使用專有的密封產生電子產品.我們持續的成功來自于專注于高科技應用,如小型移動設備(包括智能手機,數碼相機,便攜式游戲系統);短距離無線通信(通過藍牙,無線局域網等);汽車電子產品和醫療設備.同時,大河產品開發已由一個更小的組件任務引導,幫助我們以小型化的行業領先.


符合 ISO 9001和ISO 14001認證,大河嚴格遵守質量和環保性能的需求.隨著數字網絡在全球范圍內的普及,石英晶體元件將履行更為關鍵的作用.我們將著手解決發展下一代有價值的部件的挑戰.我們仍然致力于為我們的股東,企業合作伙伴,社區和員工更大的利益相關者的滿意度.通過企業管理,值得普遍尊重,我們努力實現可持續經營,豐富社會.

石英晶體振蕩器損壞后,應盡可能用與原型號相同的晶體振蕩器來更換.在無同型號晶體振蕩器更換的情況下,也可以考慮用參數相近的晶體振蕩器來代換.
在代換損壞的晶體振蕩器時,還應注意區分該石英晶體振蕩器適用于串聯諧振電路還是適用于并聯諧振電路.因兩者的負載電容不同,故不能直接代換.例如,JA18A與JA18B雖均為彩色電視機色副波波恢復電路中的4.43MHZ石英晶體振蕩器,但它們的負載電容不同,直接代換后會出現無彩現象.


SHENZHEN KONUAER ELECTRONICS CO.,LTD
電 話:0755-27838351
手 機:13823300879
Q Q:632862232
E-mail:konuaer@163.com
網 址:http://m.huaxiaqing.com
地 址:深圳市寶安區67區留仙一路甲岸科技園3棟5樓