晶振中心
進口晶振
- SMI晶振
- KDS晶振
- 精工晶振
- 西鐵城晶振
- 愛普生晶振
- 村田晶振
- 日本NDK晶體
- 京瓷晶振
- 臺灣TXC晶振
- 泰藝晶振
- 亞陶晶振
- 希華晶體
- 臺灣津綻晶體
- 美國CTS石英晶振
- 加高晶體
- 大河晶振
- 鴻星晶振
- 富士石英晶體
- AKER晶振
- Lihom晶振
- NAKA晶振
- NKG晶振
- NJR晶振
- Sunny晶振
石英晶體諧振器
歐美晶振
- Abracon晶振
- ECS晶振
- Golledge晶振
- ILSI晶振
- FOX晶振
- fujicom晶振
- AEK晶振
- CRYSTEK晶振
- interquip晶振
- Geyer晶振
- quartzcom晶振
- qantek晶振
- EUROQUARTZ晶振
- quarztechnik晶振
- Cardinal晶振
- FRE-TECH晶振
- KVG晶振
- wi2wi晶振
- AEL晶振
- Transko晶振
- suntsu晶振
- mmdcomp晶振
- MERCURY晶振
- MTRONPTI晶振
- RALTRON晶振
- Microcrystal晶振
- SITIME晶振
- IDT晶振
- Pletronics晶振
- STATEK晶振
- Rakon晶振
- ConnorWinfield晶振
- JAUCH晶振
- VECTRON晶振
- Greenray晶振
- ECLIPTEK晶振
- ACT晶振
- MTI-milliren晶振
- Rubyquartz晶振
- Oscilent晶振
- SHINSUNG晶振
- ITTI晶振
- PDI晶振
- IQD晶振
- Microchip晶振
- Silicon晶振
- Fortiming晶振
- CORE晶振
- NIPPON晶振
- NICKC晶振
- QVS晶振
- Bomar晶振
- Bliley晶振
- GED晶振
- FILTRONETICS晶振
- STD晶振
- Q-Tech晶振
- Anderson晶振
- Wenzel晶振
- NEL晶振
- EM晶振
- PETERMANN晶振
- FCD-Tech晶振
- HEC晶振
- FMI晶振
- Macrobizes晶振
- AXTAL晶振
- ARGO晶振
- Skyworks晶振
- Renesas瑞薩晶振
數碼產品
智能家電
時計產品
車載產品
石英晶體振蕩器

瑞薩LVDS輸出石英晶振,XLM730125.000000I,低抖動振蕩器,美國進口晶振,Renesas瑞薩電子晶振,XL系列晶振,編碼為:XLM730125.000000I,頻率為:125.000MHz,小體積晶振尺寸:7.0x5.0mm,LVDS輸出差分晶振,差分晶體振蕩器,六腳貼片晶振,有源晶振,石英晶振,石英晶體振蕩器。具有超小型,輕薄型,低抖動,低功耗,低相位噪聲,低電平,低電源電壓等特點。廣泛應用于:通訊設備,機頂盒、路由器,交換機,物聯網、安防設備、無線網絡,藍牙模塊、儀器儀表,光纖通信,10G以太網等應用。
Renesas XL設備(XO和VCXO選項)是超精密晶體振蕩器,具有超過12 kHz到20MHz帶寬的典型750到890fs相位抖動。XL系列有源晶振從0.750MHz到1350MHz到1350MHz,采用一系列專有的asic,重點關注降噪技術。三階Delta Sigma調制器將噪聲降低到與傳統的散裝石英和表面波紋波振蕩器相當的水平。XL設備具有短、低成本、低噪聲、頻率范圍廣、優異的環境性能,是傳統技術的優良選擇。XL(XO選項)設備的穩定性緊密為±20ppm,而XL(VCXO選項)設備的±為50ppmAPR。任何一種選項都可以為標準頻率和自定義頻率提供非常快速的交付。

瑞薩LVDS輸出石英晶振,XLM730125.000000I,低抖動振蕩器,參數表
Parameter | Symbol | Condition | Min | Typ | Max | Units | ||||||||||||||||||||||
Output Frequency Range | FOUTR | 125.000 | MHz | |||||||||||||||||||||||||
Frequency Stability | Temperature = -20°C to +70°C | ±20 | ±100 | ppm | ||||||||||||||||||||||||
Temperature = -40°C to +85°C | ±25 | ±100 | ppm | |||||||||||||||||||||||||
Aging(1st year) | Ta = 25°C | 3 | ||||||||||||||||||||||||||
Aging (10 years) | Ta = 25°C | 10 | ||||||||||||||||||||||||||
Output Load | TO VDD - 2.0V | 50 | Ohms | |||||||||||||||||||||||||
Start-up Time | TST |
Output valid time after VDD meets minimum specified level |
10 | ms | ||||||||||||||||||||||||
Output Rise Time | 20% to 80% VPP | 400 | ps | |||||||||||||||||||||||||
Output Fall Time | 80% to 20% VPP | 400 | ps | |||||||||||||||||||||||||
Output Clock Duty Cycle | TDTCY | 50%VP-P | 45 | 55 | % | |||||||||||||||||||||||
Output Enable/ Disable Time | TOE | 100 | ns | |||||||||||||||||||||||||
Period Jitter, RMS | J PER | Frequency = 156.25MHz | 5.80 | ps | ||||||||||||||||||||||||
Random Jitter | RJ |
Frequency = 156.25MHz Per MJSQ spec (Methodologies for Jitter and Signal Quality specifications) |
1.29 | ps | ||||||||||||||||||||||||
Deterministic Jitter | DJ | 9.3 | ps | |||||||||||||||||||||||||
Total Jitter | TJ | 27.7 | ps | |||||||||||||||||||||||||
Phase Jitter (12kHz – 20MHz) | φJITTER | Common Frequencies | 860 | fs | ||||||||||||||||||||||||
Phase Noise Performance Frequency = 156.25MHz |
φNOISE | 100Hz of Carrier | -80 | dBc/Hz | ||||||||||||||||||||||||
1kHz of Carrier | -115 | dBc/Hz | ||||||||||||||||||||||||||
10kHz of Carrier | -117 | dBc/Hz | ||||||||||||||||||||||||||
100kHz of Carrier | -121 | dBc/Hz | ||||||||||||||||||||||||||
1MHz of Carrier | -142 | dBc/Hz | ||||||||||||||||||||||||||
10MHz of Carrier | -150 | dBc/Hz | ||||||||||||||||||||||||||
Output Frequency (Common) | F OUT |
100MHz, 106.25MHz, 1258MHz, 150MHz, 155.52MHz, 156.25MHz, 200MHz,212.5MHz, 250MHz, 300MHz, 312.5MHZ, 400MHz,(Contact IDT for additional frequencies) |
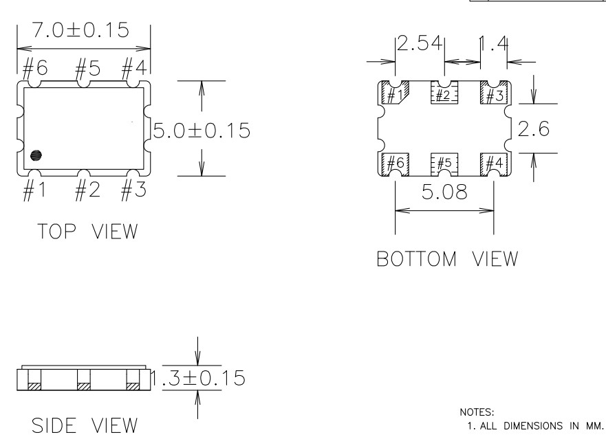
瑞薩LVDS輸出石英晶振,XLM730125.000000I,低抖動振蕩器,尺寸圖
瑞薩LVDS輸出石英晶振,XLM730125.000000I,低抖動振蕩器
產品特點:
輸出類型:LVDS、LVPECL、LVCMOS
相位抖動(12kHz至20MHz):典型750fs至890fs
電源電壓:2.5V或3.3V
程序包選項:3.2×2.5×1.0 mm(不適用于VCXO)
5.0×3.2×1.2mm
7.0×5.0×1.3mm貼片石英晶振
工作溫度:-20°C至+70°C
頻率穩定性選項:±20、±25、±50或±100ppm
(僅限XO)
±50ppm APR(僅限VCXO)
工作溫度:-40°C至+85°C
頻率穩定性選項:±25、±50或±100ppm(僅限XO)
±50ppm APR(僅限VCXO)
工作溫度:-40°C至+105°C(僅限XO)
頻率穩定性選項:±50或±100 ppm
kV為85ppm/伏,典型范圍為0.5VDC至VDD(僅限VCXO)
Vc范圍的線性度優于±10%
編碼 | 晶振廠家 | 描述 | 系列 | 頻率 | 輸出 |
XLM535026.000000I | Renesas晶振 | XTAL OSC XO 26.0000MHZ LVDS SMD | XLM | 26 MHz | LVDS |
XLM535026.000000I8 | Renesas晶振 | XTAL OSC XO 26.0000MHZ LVDS SMD | XLM | 26 MHz | LVDS |
XLM536026.000000X | Renesas晶振 | XTAL OSC XO 26.0000MHZ LVDS SMD | XLM | 26 MHz | LVDS |
XLM536026.000000I | Renesas晶振 | XTAL OSC XO 26.0000MHZ LVDS SMD | XLM | 26 MHz | LVDS |
XLM536026.000000I8 | Renesas晶振 | XTAL OSC XO 26.0000MHZ LVDS SMD | XLM | 26 MHz | LVDS |
XLM730054.000000X | Renesas晶振 | XTAL OSC XO 54.0000MHZ LVDS SMD | XLM | 54 MHz | LVDS |
XLM535156.250000I | Renesas晶振 | XTAL OSC XO 156.2500MHZ LVDS SMD | XLM | 156.25 MHz | LVDS |
XLM535025.000000X | Renesas晶振 | XTAL OSC XO 25.0000MHZ LVDS SMD | XLM | 25 MHz | LVDS |
XLM535026.000000X | Renesas晶振 | XTAL OSC XO 26.0000MHZ LVDS SMD | XLM | 26 MHz | LVDS |
XLM336027.000000X | Renesas晶振 | XTAL OSC XO 27.0000MHZ LVDS SMD | XLM | 27 MHz | LVDS |
XLM336070.656000X | Renesas晶振 | XTAL OSC XO 70.6560MHZ LVDS SMD | XLM | 70.656 MHz | LVDS |
XLM326010.000000X | Renesas晶振 | XTAL OSC XO 10.0000MHZ LVDS SMD | XLM | 10 MHz | LVDS |
XLM536080.000000X | Renesas晶振 | XTAL OSC XO 80.0000MHZ LVDS SMD | XLM | 80 MHz | LVDS |
XLM536072.000000X | Renesas晶振 | XTAL OSC XO 72.0000MHZ LVDS SMD | XLM | 72 MHz | LVDS |
XLM326100.000000I | Renesas晶振 | XTAL OSC XO 100.0000MHZ LVDS SMD | XLM | 100 MHz | LVDS |
XLM525100.000000I | 藍牙晶振 | XTAL OSC XO 100.0000MHZ LVDS SMD | XLM | 100 MHz | LVDS |
XLM535099.000000I | Renesas晶振 | XTAL OSC XO 99.0000MHZ LVDS SMD | XLM | 99 MHz | LVDS |
XLM335022.579200I | Renesas晶振 | XTAL OSC XO 22.5792MHZ LVDS SMD | XLM | 22.5792 MHz | LVDS |
XLM320032.000000I | Renesas晶振 | XTAL OSC XO 32.0000MHZ LVDS SMD | XLM | 32 MHz | LVDS |
XLM730125.000000I | Renesas晶振 | XTAL OSC XO 125.0000MHZ LVDS SMD | XLM | 125 MHz | LVDS |
XLM735098.304000I | Renesas晶振 | XTAL OSC XO 98.3040MHZ LVDS SMD | XLM | 98.304 MHz | LVDS |
XLM735122.880000I | Renesas晶振 | XTAL OSC XO 122.8800MHZ LVDS SMD | XLM | 122.88 MHz | LVDS |
XLM535072.000000X | Renesas晶振 | XTAL OSC XO 72.0000MHZ LVDS SMD | XLM | 72 MHz | LVDS |
XLM335025.000000I | Renesas晶振 | XTAL OSC XO 25.0000MHZ LVDS SMD | XLM | 25 MHz | LVDS |
XLM736622.080000I | Renesas晶振 | XTAL OSC XO 622.0800MHZ LVDS SMD | XLM | 622.08 MHz | LVDS |
XLM520065.010000I | Renesas晶振 | XTAL OSC XO 65.0100MHZ LVDS SMD | XLM | 65.01 MHz | LVDS |
XLM525072.000000X | Renesas晶振 | XTAL OSC XO 72.0000MHZ LVDS SMD | XLM | 72 MHz | LVDS |
XLM530072.000000X | Renesas晶振 | XTAL OSC XO 72.0000MHZ LVDS SMD | XLM | 72 MHz | LVDS |
XLM735066.000000X | Renesas晶振 | XTAL OSC XO 66.0000MHZ LVDS SMD | XLM | 66 MHz | LVDS |
XLM73V100.000000X | Renesas晶振 | XTAL OSC VCXO 100.0000MHZ LVDS | XLM | 100 MHz | LVDS |
XLM726266.666000I | Renesas晶振 | XTAL OSC XO 266.6660MHZ LVDS SMD | XLM | 266.666 MHz | LVDS |
XLM538098.304000X | Renesas晶振 | XTAL OSC XO 98.3040MHZ LVDS SMD | XLM | 98.304 MHz | LVDS |
XLM336027.000000I | Renesas晶振 | XTAL OSC XO 27.0000MHZ LVDS SMD | XLM | 27 MHz | LVDS |
XLM736106.250000I | Renesas晶振 | XTAL OSC XO 106.2500MHZ LVDS SMD | XLM | 106.25 MHz | LVDS |
XLM526125.000000I | Renesas晶振 | XTAL OSC XO 125.0000MHZ LVDS SMD | XLM | 125 MHz | LVDS |
XLM336019.200000I | Renesas晶振 | XTAL OSC XO 19.2000MHZ LVDS SMD | XLM | 19.2 MHz | LVDS |
XLM336016.777216I | Renesas晶振 | XTAL OSC XO 16.777216MHZ LVDS | XLM | 16.777216 MHz | LVDS |
XLM736296.703300I | Renesas晶振 | XTAL OSC XO 296.7033MHZ LVDS SMD | XLM | 296.7033 MHz | LVDS |
XLM525200.000000I | Renesas晶振 | XTAL OSC XO 200.0000MHZ LVDS SMD | XLM | 200 MHz | LVDS |
XLM526266.666600I | Renesas晶振 | XTAL OSC XO 266.6666MHZ LVDS SMD | XLM | 266.6666 MHz | LVDS |
XLM525300.000000I | Renesas晶振 | XTAL OSC XO 300.0000MHZ LVDS SMD | XLM | 300 MHz | LVDS |
XLM526074.250000I | Renesas晶振 | XTAL OSC XO 74.2500MHZ LVDS SMD | XLM | 74.25 MHz | LVDS |
XLM725135.000000I | Renesas晶振 | XTAL OSC XO 135.0000MHZ LVDS SMD | XLM | 135 MHz | LVDS |
XLM336048.000000I | Renesas晶振 | XTAL OSC XO 48.0000MHZ LVDS SMD | XLM | 48 MHz | LVDS |
XLM736100.000000I | Renesas晶振 | XTAL OSC XO 100.0000MHZ LVDS SMD | XLM | 100 MHz | LVDS |
XLM526200.000000I | Renesas晶振 | XTAL OSC XO 200.0000MHZ LVDS SMD | XLM | 200 MHz | LVDS |
XLM526027.000000I | Renesas晶振 | XTAL OSC XO 27.0000MHZ LVDS SMD | XLM | 27 MHz | LVDS |
XLM526216.000000I | Renesas晶振 | XTAL OSC XO 216.0000MHZ LVDS SMD | XLM | 216 MHz | LVDS |
XLM526065.000000I | Renesas晶振 | XTAL OSC XO 65.0000MHZ LVDS SMD | XLM | 65 MHz | LVDS |
XLM525020.000000K | Renesas晶振 | XTAL OSC XO 20.0000MHZ LVDS SMD | XLM | 20 MHz | LVDS |
XLM525125.000000K | Renesas晶振 | XTAL OSC XO 125.0000MHZ LVDS SMD | XLM | 125 MHz | LVDS |
XLM335200.000000K | Renesas晶振 | XTAL OSC XO 200.0000MHZ LVDS SMD | XLM | 200 MHz | LVDS |
XLM738270.000000X | Renesas晶振 | XTAL OSC XO 270.0000MHZ LVDS SMD | XLM | 270 MHz | LVDS |
XLM738125.000000I | Renesas晶振 | XTAL OSC XO 125.0000MHZ LVDS SMD | XLM | 125 MHz | LVDS |
XLM736133.333000I | Renesas晶振 | XTAL OSC XO 133.3330MHZ LVDS SMD | XLM | 133.333 MHz | LVDS |
XLM736480.000000X | Renesas晶振 | XTAL OSC XO 480.0000MHZ LVDS SMD | XLM | 480 MHz | LVDS |
XLM328200.000000X | Renesas晶振 | XTAL OSC XO 200.0000MHZ LVDS SMD | XLM | 200 MHz | LVDS |
XLM738622.080000X | Renesas晶振 | XTAL OSC XO 622.0800MHZ LVDS SMD | XLM | 622.08 MHz | LVDS |
XLM336019.200000X | Renesas晶振 | XTAL OSC XO 19.2000MHZ LVDS SMD | XLM | 19.2 MHz | LVDS |
XLM328100.000000X | Renesas晶振 | XTAL OSC XO 100.0000MHZ LVDS SMD | XLM | 100 MHz | LVDS |
XLM726A00.000000I | Renesas晶振 | XTAL OSC XO 1.0000GHZ LVDS SMD | XLM | 1 GHz | LVDS |
XLM738111.650837X | Renesas晶振 | XTAL OSC XO 111.650837MHZ LVDS | XLM | 111.650837 MHz | LVDS |
XLM538072.000000X | Renesas晶振 | XTAL OSC XO 72.0000MHZ LVDS SMD | XLM | 72 MHz | LVDS |
XLM338070.656000X | Renesas晶振 | XTAL OSC XO 70.6560MHZ LVDS SMD | XLM | 70.656 MHz | LVDS |
XLM338003.200000X | Renesas晶振 | XTAL OSC XO 3.2000MHZ LVDS SMD | XLM | 3.2 MHz | LVDS |
XLM728200.000000X | Renesas晶振 | XTAL OSC XO 200.0000MHZ LVDS SMD | XLM | 200 MHz | LVDS |
XLM738156.250000X | Renesas晶振 | XTAL OSC XO 156.2500MHZ LVDS SMD | XLM | 156.25 MHz | LVDS |
XLM736400.000000I | Renesas晶振 | XTAL OSC XO 400.0000MHZ LVDS SMD | XLM | 400 MHz | LVDS |


SHENZHEN KONUAER ELECTRONICS CO.,LTD
電 話:0755-27838351
手 機:13823300879
Q Q:632862232
E-mail:konuaer@163.com
網 址:http://m.huaxiaqing.com
地 址:廣東深圳市寶安寶安大道東95號浙商銀行大廈1905