晶振中心
進口晶振
- SMI晶振
- KDS晶振
- 精工晶振
- 西鐵城晶振
- 愛普生晶振
- 村田晶振
- 日本NDK晶體
- 京瓷晶振
- 臺灣TXC晶振
- 泰藝晶振
- 亞陶晶振
- 希華晶體
- 臺灣津綻晶體
- 美國CTS石英晶振
- 加高晶體
- 大河晶振
- 鴻星晶振
- 富士石英晶體
- AKER晶振
- Lihom晶振
- NAKA晶振
- NKG晶振
- NJR晶振
- Sunny晶振
石英晶體諧振器
歐美晶振
- Abracon晶振
- ECS晶振
- Golledge晶振
- ILSI晶振
- FOX晶振
- fujicom晶振
- AEK晶振
- CRYSTEK晶振
- interquip晶振
- Geyer晶振
- quartzcom晶振
- qantek晶振
- EUROQUARTZ晶振
- quarztechnik晶振
- Cardinal晶振
- FRE-TECH晶振
- KVG晶振
- wi2wi晶振
- AEL晶振
- Transko晶振
- suntsu晶振
- mmdcomp晶振
- MERCURY晶振
- MTRONPTI晶振
- RALTRON晶振
- Microcrystal晶振
- SITIME晶振
- IDT晶振
- Pletronics晶振
- STATEK晶振
- Rakon晶振
- ConnorWinfield晶振
- JAUCH晶振
- VECTRON晶振
- Greenray晶振
- ECLIPTEK晶振
- ACT晶振
- MTI-milliren晶振
- Rubyquartz晶振
- Oscilent晶振
- SHINSUNG晶振
- ITTI晶振
- PDI晶振
- IQD晶振
- Microchip晶振
- Silicon晶振
- Fortiming晶振
- CORE晶振
- NIPPON晶振
- NICKC晶振
- QVS晶振
- Bomar晶振
- Bliley晶振
- GED晶振
- FILTRONETICS晶振
- STD晶振
- Q-Tech晶振
- Anderson晶振
- Wenzel晶振
- NEL晶振
- EM晶振
- PETERMANN晶振
- FCD-Tech晶振
- HEC晶振
- FMI晶振
- Macrobizes晶振
- AXTAL晶振
- ARGO晶振
- Skyworks晶振
- Renesas瑞薩晶振
數碼產品
智能家電
時計產品
車載產品
石英晶體振蕩器

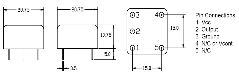
TC23-3T,100MHz,PDI晶振,高可靠性晶振,有源晶振,溫補晶體振蕩器,通孔晶振,美國進口晶振,PDI晶振,型號:TC23-3T系列,頻率:100.000MHz,尺寸:20.75x20.75mm,通孔晶振,溫補晶振,溫補晶體振蕩器(TCXO),有源晶振,石英晶體振蕩器,TC23-3系列提供了一系列的高頻,溫度補償的晶體振蕩器,封裝在一個強大的,高可靠性的外殼。輸出被直接匹配到50Ω。和該系列提供了一流的性能和精度的選擇,電壓控制或機械調整。具有小體積,低抖動,低功耗,低相位噪聲,低電平,低電源電壓,高精度,高性能,高可靠性等特點。應用程序:衛星導航晶振,電信應用晶振,基站晶振,測試系統晶振,儀器儀表晶振等應用。
TC23-3T,100MHz,PDI晶振,高可靠性晶振,有源晶振,溫補晶體振蕩器,通孔晶振,產品特點:
•通孔組件
•50Ω終端
•密封包裝
•400MHz工作頻率

PARAMETER | MINIMUM | MAXIMUM | UNITS |
NOMINAL FREQUENCY (Fo) | 100 | MHz | |
CALIBRATION TOLERANCE | -1 | 1 | ppm |
FREQUENCY STABILITY | ppm | ||
Over Temperature Range (See Note 2) | -1 | 1 | |
Ageing (per year at +25°C) | -1 | 1 | |
Over Supply Voltage Variation (Vcc = +5.0V ±5.0%) | -0.3 | 0.3 | |
OPERATING TEMPERATURE RANGE (See Note 2) | 0 | 50 | °C |
STORAGE TEMPERATURE RANGE | -40 | 85 | °C |
SUPPLY VOLTAGE (Vcc) (See Note 2) | 2.85 | 3.15 | V |
SUPPLY CURRENT (Dependant upon nominal frequency) | 10 | 30 | mA |
OUTPUT WAVEFORM A.C. COUPLED SINEWAVE | |||
Amplitude | 0 | 5 | dBm |
Harmonic Distortion | -15 | dBc | |
Sub-harmonic Distortion | -30 | dBc | |
Spurious | -65 | dBc | |
FREQUENCY ADJUSTMENT (Internal trimmer) (Order Code TC23-5T) | ±2.0 | ppm | |
VOLTAGE CONTROL +2.5V ±2.0V (Order Code TC23-5V) | ±5 | ppm |
TC23-3T,100MHz,PDI晶振,高可靠性晶振,有源晶振,溫補晶體振蕩器,通孔晶振,尺寸圖

SHENZHEN KONUAER ELECTRONICS CO.,LTD
電 話:0755-27838351
手 機:13823300879
Q Q:632862232
E-mail:konuaer@163.com
網 址:http://m.huaxiaqing.com
地 址:廣東深圳市寶安寶安大道東95號浙商銀行大廈1905