晶振中心
進口晶振
- SMI晶振
- KDS晶振
- 精工晶振
- 西鐵城晶振
- 愛普生晶振
- 村田晶振
- 日本NDK晶體
- 京瓷晶振
- 臺灣TXC晶振
- 泰藝晶振
- 亞陶晶振
- 希華晶體
- 臺灣津綻晶體
- 美國CTS石英晶振
- 加高晶體
- 大河晶振
- 鴻星晶振
- 富士石英晶體
- AKER晶振
- Lihom晶振
- NAKA晶振
- NKG晶振
- NJR晶振
- Sunny晶振
石英晶體諧振器
歐美晶振
- Abracon晶振
- ECS晶振
- Golledge晶振
- ILSI晶振
- FOX晶振
- fujicom晶振
- AEK晶振
- CRYSTEK晶振
- interquip晶振
- Geyer晶振
- quartzcom晶振
- qantek晶振
- EUROQUARTZ晶振
- quarztechnik晶振
- Cardinal晶振
- FRE-TECH晶振
- KVG晶振
- wi2wi晶振
- AEL晶振
- Transko晶振
- suntsu晶振
- mmdcomp晶振
- MERCURY晶振
- MTRONPTI晶振
- RALTRON晶振
- Microcrystal晶振
- SITIME晶振
- IDT晶振
- Pletronics晶振
- STATEK晶振
- Rakon晶振
- ConnorWinfield晶振
- JAUCH晶振
- VECTRON晶振
- Greenray晶振
- ECLIPTEK晶振
- ACT晶振
- MTI-milliren晶振
- Rubyquartz晶振
- Oscilent晶振
- SHINSUNG晶振
- ITTI晶振
- PDI晶振
- IQD晶振
- Microchip晶振
- Silicon晶振
- Fortiming晶振
- CORE晶振
- NIPPON晶振
- NICKC晶振
- QVS晶振
- Bomar晶振
- Bliley晶振
- GED晶振
- FILTRONETICS晶振
- STD晶振
- Q-Tech晶振
- Anderson晶振
- Wenzel晶振
- NEL晶振
- EM晶振
- PETERMANN晶振
- FCD-Tech晶振
- HEC晶振
- FMI晶振
- Macrobizes晶振
- AXTAL晶振
- ARGO晶振
- Skyworks晶振
- Renesas瑞薩晶振
數碼產品
智能家電
時計產品
車載產品
石英晶體振蕩器

IDT低抖動振蕩器,XUL535125.000JS6I8,以太網6G晶振,XUL536100.000JS6I,LVDS貼片晶振,美國進口晶振,IDT艾迪悌晶振XUL系列,編碼為:XUL535125.000JS6I8,頻率為:125.000MHz,5032mm六腳貼片晶振,是一種超精密LVDS差分晶振,晶體振蕩器,有源晶振,具有300fs到20MHz帶寬超過12kHz的典型相位抖動。IDT XUL系列晶體振蕩器的頻率范圍從16kHz到1500MHz,采用了一系列專有的asic芯片,重點關注降噪技術。具有較短的前置時間、低成本、低噪聲、較寬的頻率范圍、優異的環境性能,是一種超越傳統技術的優良選擇。有源晶振XUL系列的穩定性高達+/-20ppm,標準頻率和自定義頻率都非常快。頻率范圍:0.016MHz至1500MHz,輸出類型:LVDS,頻率穩定性:±20ppm,±25ppm,±50ppm,或±100ppm,電源電壓:1.8V、2.5V或3.3V,相位抖動(1.875MHz至20MHz):典型的100fs,相位抖動(12 kHz至20MHz):典型的300fs,包裝選項:5.0x3.2x1.2mm(JS6),7.0x5.0x1.3mm(JU6),工作溫度:-20°C至+70°C或-40°C至+85°C,具有高性能,高精度晶振,低功耗晶振,低噪聲晶振,低抖動晶振,低損耗等特點。應用于通訊設備,以太網,無線藍牙,物聯網,機頂盒,光端機,導航儀,醫療設備,安防設備及各種頻率控制設備上.

IDT低抖動振蕩器,XUL535125.000JS6I8,以太網6G晶振,XUL536100.000JS6I,LVDS貼片晶振,參數表
Parameter | Symbol | Condition | Min | Typ | Max | Units |
Output Frequency Range | FOUTR | 125 | MHz | |||
Frequency Stability | Temperature = -20°C to +70°C | ±20 | ±100 | ppm | ||
Temperature = -40°C to +85°C | ±25 | ±100 | ppm | |||
Aging(1st year) | Ta = 25°C | 3 | ||||
Aging (10 years) | Ta = 25°C | 10 | ||||
Output Load | Differential | 100 | Ohms | |||
Start-up Time | TST |
Output valid time after VDD meets minimum specified level |
10 | ms | ||
Output Rise Time | 20% to 80% VPP | 275 | 380 | ps | ||
Output Fall Time | 80% to 20% VPP | 275 | 380 | ps | ||
Output Clock Duty Cycle | TDTCY | 50%VP-P | 45 | 55 | % | |
Output Enable/ Disable Time | TOE | 100 | ns | |||
Period Jitter, RMS | J PER | Frequency = 156.25MHz | 3.5 | 8 | psec | |
Random Jitter | RJ | Frequency = 156.25MHz | 0.9 | 1.5 | psec | |
Deterministic Jitter | DJ | Per MJSQ spec (Methodologies for | 12 | 26 | psec | |
Total Jitter | TJ | Jitter and Signal Quality specifications) | 25 | 44 | psec | |
Phase Jitter (12kHz – 20MHz) | φJITTER | @25°C & 3.3V | 300 | 400 | fsec | |
Phase Noise Performance Frequency = 156.25MHz |
φNOISE | 100Hz of Carrier | -97 | dBc/Hz | ||
1kHz of Carrier | -112 | dBc/Hz | ||||
10kHz of Carrier | -122 | dBc/Hz | ||||
100kHz of Carrier | -131 | dBc/Hz | ||||
1MHz of Carrier | -146 | dBc/Hz | ||||
10MHz of Carrier | -153 | dBc/Hz | ||||
Output Frequency (Common) | F OUT | 100MHz, 106.25MHz, 1258MHz, 150MHz, 155.52MHz, 156.25MHz, 200MHz,212.5MHz, 250MHz, 300MHz, 312.5MHZ, 400MHz, (Contact IDT for additional frequencies) |
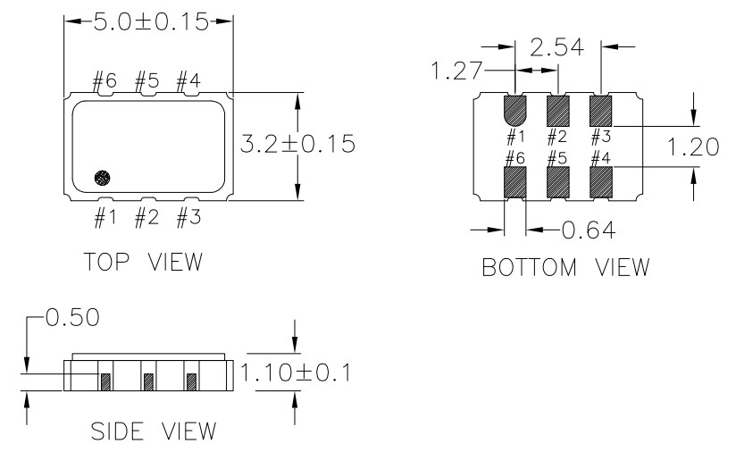
IDT低抖動振蕩器,XUL535125.000JS6I8,以太網6G晶振,XUL536100.000JS6I,LVDS貼片晶振,尺寸圖
IDT低抖動振蕩器,XUL535125.000JS6I8,以太網6G晶振,XUL536100.000JS6I,LVDS貼片晶振
產品特點:
頻率范圍:0.016至1500 MHz
輸出類型:LVDS石英晶體振蕩器
頻率穩定性:±20ppm、±25ppm、±50ppm或±100ppm
電源電壓:1.8V、2.5V或3.3V
相位抖動(1.875MHz至20MHz):典型100fs
相位抖動(12kHz至20MHz):典型300fs
包裝選項:5.0mm x 3.2mm x 1.2mm(JS6),7.0毫米x 5.0毫米x 1.3毫米(JU6)
工作溫度:-20°C至+70°C或-40°C至+85°C
原廠代碼 | 晶振廠家 | 參數 | 型號 | 頻率 | 輸出 |
XUL535156.250JS6I8 | IDT晶振 | OSC 156.25MHZ SMD | XUL | 156.25MHz | LVDS |
XUL535150.000JS6I8 | IDT晶振 | OSC 150MHZ SMD | XUL | 150MHz | LVDS |
XUN535100.000JS6I8 | IDT晶振 | OSC XO 100.000MHZ HCSL SMD | XUN | 100MHz | HCSL |
XUL535100.000JS6I8 | IDT晶振 | OSC XO 100.000MHZ LVDS SMD | XUL | 100MHz | LVDS |
XUL535125.000JS6I8 | IDT晶振 | OSC 125MHZ SMD | XUL | 125MHz | LVDS |
XUH736156.250JU4I | IDT晶振 | OSC XO 156.2500MHZ HCMOS SMD | XUH | 156.25MHz | HCMOS |
XUH536156.250JS4I | IDT晶振 | OSC XO 156.2500MHZ HCMOS SMD | XUH | 156.25MHz | HCMOS |
XUL536100.000JS6I | IDT晶振 | OSC XO 100.0000MHZ LVDS SMD | XUL | 100MHz | LVDS |
XUL536125.000JS6I | IDT晶振 | OSC XO 125.0000MHZ LVDS SMD | XUL | 125MHz | LVDS |
XUN536100.000JS6I | IDT晶振 | OSC XO 100.0000MHZ HCSL SMD | XUN | 100MHz | HCSL |
XUN536133.333JS6I | IDT晶振 | OSC XO 133.3330MHZ HCSL SMD | XUN | 133.333MHz | HCSL |
XUL736125.000JU6I | IDT晶振 | OSC XO 125.0000MHZ LVDS SMD | XUL | 125MHz | LVDS |
XUL736150.000JU6I | IDT晶振 | OSC XO 150.0000MHZ LVDS SMD | XUL | 150MHz | LVDS |
XUL736100.000JU6I | IDT晶振 | OSC XO 100.0000MHZ LVDS SMD | XUL | 100MHz | LVDS |
XUL736212.500JU6I | IDT晶振 | OSC XO 212.5000MHZ LVDS SMD | XUL | 212.5MHz | LVDS |
XUL536212.500JS6I | IDT晶振 | OSC XO 212.5000MHZ LVDS SMD | XUL | 212.5MHz | LVDS |
XUL535212.500JS6I8 | IDT晶振 | OSC 212.5MHZ SMD | XUL | 212.5MHz | LVDS |
XUL536150.000JS6I | IDT晶振 | OSC XO 150.0000MHZ LVDS SMD | XUL | 150MHz | LVDS |
XUL535100.000JS6I | IDT晶振 | OSC XO 100.000MHZ LVDS SMD | XUL | 100MHz | LVDS |
XUL535125.000JS6I | IDT晶振 | OSC 125MHZ 進口晶振 | XUL | 125MHz | LVDS |
XUL535150.000JS6I | IDT晶振 | OSC 150MHZ SMD | XUL | 150MHz | LVDS |
XUL535156.250JS6I | IDT晶振 | OSC 156.25MHZ SMD | XUL | 156.25MHz | LVDS |
XUN535100.000JS6I | IDT晶振 | OSC XO 100.000MHZ HCSL SMD | XUN | 100MHz | HCSL |
XUL535212.500JS6I | IDT晶振 | OSC 212.5MHZ SMD | XUL | 212.5MHz | LVDS |


SHENZHEN KONUAER ELECTRONICS CO.,LTD
電 話:0755-27838351
手 機:13823300879
Q Q:632862232
E-mail:konuaer@163.com
網 址:http://m.huaxiaqing.com
地 址:廣東深圳市寶安寶安大道東95號浙商銀行大廈1905